
IHP
An Individual Heating Point, or IHP, is like magic that helps heat reach our homes and offices. When heat is produced at a thermal power plant or boiler house, it travels through pipes like an invisible magical river. But to prevent this heat from getting lost or cooling down on its way, it needs support and care. This is where IHPs come in. They regulate the heat’s temperature, maintain it, and adjust to the needs of each building or structure, solving problems if something goes wrong.
For whom are heating points manufactured
Individual heating units (IHU) are designed to provide heat and hot water to various buildings and structures. Their main task is to regulate the heat supply in apartment buildings, offices, schools, hospitals and other facilities where reliable and efficient heat supply is required.
If you are interested in an individual heating unit price and functions, it is important to consider the parameters of a specific facility, such as the area of the building, heat load and automation requirements.
ITP heating is used where a large number of people or houses are concentrated in one area. For example, in apartment buildings, individual heating points are installed to provide each apartment with heating and hot water. They process the heat coming from the heat source (for example, a combined heat and power plant, a boiler room or a central heating point) and transfer it to each apartment or room separately.
Such systems allow you to regulate heat consumption in each building. Thus, ITP heating and hot water supply systems are a more efficient, comfortable and economical solution for everyone who lives or works in these buildings.
Advantages of Individual Heating Points (IHP) Features
Individual Heating Points (IHP) offer numerous benefits and conveniences. Let’s explore some of them.
- High Energy Efficiency: Savings on Heat Consumption
IHPs are true champions of energy efficiency. They minimize heat losses and consumption. When heat travels from the source to each consumer individually, there’s no need to expend extra energy maintaining a high temperature across a large network of pipes. As a result, there are lower heating costs and a more environmentally friendly approach.
- Individual Control: Comfort and Resource Savings
IHP allows for the regulation of temperature in premises, eliminating overheating or overcooling. Each facility can set the optimal temperature according to individual preferences, ensuring comfort and minimizing unused resources.
- Flexibility and scalability: the ideal solution for various entities
ITP (Individual Thermal Points) is a flexible solution for various applications. They can be installed in apartment buildings and used for heating administrative buildings, regulating technological processes. The heating ITP system can be easily adapted to different needs. This means that ITPs are suitable for both small buildings and large residential complexes or offices.
- Automation and reliability: minimal user intervention
ITPs are equipped with smart automation systems, making them reliable and easy to manage. This allows users to not worry about complex settings and system maintenance. They simply set the desired temperature, and the ITP ensures stable and reliable operation for many years.
The production technologies of individual thermal points
- The production technologies of individual thermal points involve a complex and intelligent process that ensures their high efficiency and reliability. This is achieved through several key aspects.
- A team of experienced engineers develops innovative and efficient solutions to ensure optimal operation of the ITP (individual thermal point) heating or DHW (domestic hot water) system. They take into account the specific features of each facility and the needs of the clients to create unique thermal points that precisely match the requirements.
- ITPs are manufactured only from high-quality materials. We utilize imported components from well-known companies such as Danfoss, Wilo, Grundfoss, and others. This guarantees that the systems will be reliable and durable. The use of quality components and materials helps avoid breakdowns and damages, ensuring uninterrupted operation of the thermal points for many years.
- The production of ITPs undergoes rigorous quality control at every stage, starting from material selection and ending with assembly and testing. Each system undergoes certification and thorough checks to ensure that it meets all safety standards and requirements. This ensures high reliability and efficiency of the system, allowing customers to have confidence in its quality and safety.
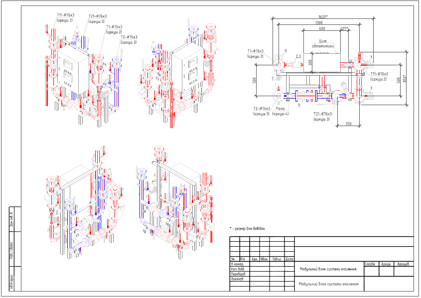
ITP heating system (axonometry)

The production process of individual thermal points
The production process of individual thermal points is a well-coordinated technical dance that ensures the highest level of quality and meets the needs of every client. This process consists of several stages:
- The calculation of ITPs for each customer involves selecting the necessary components: temperature controllers, automation, pumps, pipeline calculation, valves, heat exchanger calculation, filters, etc.
- Assembly and installation are carried out by experienced specialists who meticulously combine all the details to create a unique thermal point that precisely meets the customer’s requirements. Advanced equipment and innovative technologies are utilized to reduce production time and ensure high process efficiency.
- Testing and verification come next. When the individual thermal point is ready, it undergoes the final stage – testing and verification. Each system goes through rigorous testing to ensure flawless operation. This includes hydraulic testing of the system, functionality checks, safety checks, and compliance with all standards and requirements. Only after successfully passing all tests is the system considered ready for operation.
- The final stage involves individual customization. Every customer is unique, and their needs may vary. That’s why the next step is individual customization.
The production of individual heating points is a complex process that requires a high level of precision and thoughtfulness. The use of modern technologies and high-quality materials allows us to create systems that ensure stable operation, energy efficiency and a long service life. The cost of individual heating points depends on many factors, including the capacity of the equipment, the features of the facility and the level of automation of the system. An individual approach to each project guarantees that the created IHP will not only be reliable, but also fully meet your requirements.

“Scheme of work with “Teplo-Polis”
Cooperation with Teplo-Polis is based on the principles of professionalism, individual approach and maximum openness. We strive not only to supply equipment, but to offer a solution that will fully meet your requirements and ensure the stability of the system in the long term. Each stage of our work is aimed at ensuring that the interaction process is comfortable and understandable for the client.
Stages of our work:
- Step 1: Understanding your needs. Our clients are our top priority. Before starting work, we carefully listen to all your requirements and the specifics of your property to precisely understand what you need. This helps us develop an optimal solution that perfectly fits your needs.
- Step 2: Professional system design. Taking into account all the details, an individual scheme of the ITP heating system is developed to ensure comfort and efficiency. We utilize cutting-edge technologies and innovative solutions to create a reliable and energy-efficient system. All calculations are carried out in accordance with building codes and regulations.
- Step 3: High-quality equipment and materials. Quality is the foundation of long-term relationships with our clients. We only work with trusted and reliable equipment and materials suppliers. This allows us to provide a warranty for our work and ensure a high level of system reliability.
- Step 4: Professional installation and setup. Our team of experienced installers carries out equipment installation with high precision and care. After installation, we meticulously adjust the ITP system to achieve optimal comfort and efficiency.
- Step 5: Prompt maintenance of individual heating points and support. We are always in touch, ready to answer your questions and provide prompt support. Regular maintenance and professional care of the system ensure its uninterrupted operation for a long time.
The scheme of work with “Teplo-Polis” is focused on the result, which fully satisfies the needs of the client. We make sure that each installed system is reliable, energy-efficient and comfortable to use. By choosing our company, you get not only high-quality equipment, but also professional support at every stage of cooperation.
Why choose us
Why choose Teplo Polis? We have been working in the market for over 20 years, combining an individual approach and professionalism. The main principles of our work are quality, reliability and respect for your time. We strive to minimize customer concerns by performing all work quickly, efficiently and as transparently as possible.
Cooperating with Teplo Polis, you receive:
detailed information about the cost and process of work;
high-quality solutions for heating systems that will provide comfort and coziness in your home;
reliable partnership and high level of service.
To receive a personal offer, simply fill out the form on the website and our specialists will contact you shortly or call. We will answer all your questions, provide a calculation and offer the best solution that will leave only the most pleasant impressions of cooperation.
Last Updated on by Микола Фролкин
