
Що таке теплообмінники Funke?
У 1973 році Карлом-Гайнцом Функе в Німеччині було засновано компанію FUNKE. З дня свого заснування компанія займалася виробництвом трубчастих теплообмінників. Лише з 1995 року фірма Funke запустила виробництво розбірних пластинчастих теплообмінників серії FP. З 1995 по 2000 рік компанія FUNKE завойовує визнання на світовому ринку і стає одним зі світових лідерів з виробництва пластинчастих теплообмінників.
Теплообмінники Funke – це сучасне обладнання, призначене для ефективної передачі тепла між двома середовищами. Завдяки інноваційній конструкції та високоякісним матеріалам, вони забезпечують високу продуктивність:
- Максимальну теплопередачу за мінімальних втрат енергії.
- Гнучкість у використанні: від стандартних рідин до агресивних хімічних середовищ.
- Надійність і довговічність завдяки стійкості до корозії та зносу.
Ці теплообмінники відповідають міжнародним стандартам якості, таким як ISO 9001, і знаходять застосування в широкому спектрі галузей, що робить їх універсальним рішенням для будь-яких завдань теплообміну.
Компанія «Тепло-Поліс» пропонує розбірні та паяні пластинчасті теплообмінники Funke, адаптовані під індивідуальні потреби замовників, з можливістю роботи за високого тиску і температур до 250°C.
Переваги теплообмінників Funke
Одним із ключових чинників популярності теплообмінників Funke є їхня ефективність та універсальність. Основні переваги включають:
- Висока ефективність: Унікальна конструкція пластин забезпечує максимальну площу теплообміну, мінімізуючи втрати енергії.
- Компактність: Обладнання займає мінімум місця, що особливо важливо для обмежених просторів.
- Стійкість до агресивних середовищ: Використовувані матеріали, такі як нержавіюча сталь і титан, роблять теплообмінники придатними для роботи в складних умовах.
- Довговічність: Міцна конструкція і якісні матеріали гарантують довгий термін служби.
- Індивідуальний підхід: Кожен теплообмінник проектується під конкретні завдання клієнта.
Надійність, висока продуктивність і адаптивність до специфічних вимог клієнтів підтверджують їхні лідерські позиції на ринку теплообмінного обладнання.
Недоліки теплообмінників Функе (FUNKE)
Істотним недоліком пластин Функе є висока їхня якість і довговічність. Цей фактор не дає нам змоги заробляти на сервісі та продажі пластин і ущільнень Функе, тому що вони тривалий час і безперебійно експлуатуються.
Ми дуже часто стикалися із замовниками, яких не влаштовувала працездатність теплообмінників Функе. Однак під час подальшого діалогу, ми розуміли, що їм теплообмінник продала фірма, яка не має жодного уявлення про теплообмін і пластинчасті теплообмінники. Ми авторитетно пояснювали замовнику, що теплообмінник будь-якої фірми, підібраний неправильно, не буде виконувати завдання, поставлені перед ним. Підприємство «Тепло-Поліс» виготовляє і продає теплообмінники Функе більше 10-ти років. Однак питань, пов’язаних із безграмотним підбором теплообмінника, у нас не було. Звідси випливає, що теплообмінники Функе, які постачають фірми без досвіду, дійсно не працюватимуть.
Нижча вартість виробництва продукції завдяки досконалим технологіям і продуманим витратам.
Каталог розбірних теплообмінників Функе
На ринку з’явилося багато продавців теплообмінників Функе (FUNKE). Теплообмінники Funke самі себе не підбирають. Потрібні фахівці, які грамотно розрахують теплообмінники і виготовлять їх. Наша рекомендація – якщо ви хочете купити пластинчастий теплообмінник, що відповідає поставленим завданням, то запитуйте у продавців про їхній досвід роботи з цим обладнанням, а найкраще – звертайтеся до нас.
Особливості конструкції теплообмінників FUNKE
Теплообмінник Funke FP своїми характеристиками перевершує аналогічні ПТО завдяки впровадженню інноваційної конструкції пластин із застосуванням асиметричних каналів. Крім того, значно знижено рівень гідравлічних втрат під час роботи з такими матеріалами, як вода, газ, пар і сольові розчини.
Розбірний теплообмінник Функе складається з двох плит: основної та притискної. Між ними розташовується пакет теплопередавальних пластин з гумовими ущільненнями, що формують канали для руху середовищ. Середовища рухаються найчастіше протиточно.

- Основна плита;
- Притискна плита;
- Опора;
- Нижня напрямна;
- Верхня напрямна;
- Несучий ролик;
- Шпилька;
- Гумове кільце;
- Фіксувальні болти;
- Ущільнення;
- Теплообмінна пластина;
- Табличка
Технічні характеристики теплообмінників FUNKE
Перед вибором теплообмінника важливо враховувати його ключові параметри, такі як площа теплообміну, максимальний тиск і матеріали виготовлення. Теплообмінник пластинчастий Funke проєктується з акцентом на високу продуктивність і відповідність вимогам різних галузей, від харчової промисловості до енергетики.
Табл. Основні характеристики ПТО Funke FP
| Робочий тиск | 16 бар для розбірних і 25 бар для паяних моделей |
| Стандарт з’єднання | DN80, 100, 150, 200,300, 500 |
| Матеріали пластин | нержавіюча сталь |
| Робочі температури | -20 – +195oС |
Матеріал пластин FUNKE
Як правило теплообмінні пластини FUNKE виготовляються з нержавіючої сталі 1.4404 /AISI 316L. Порівняно з нержавіючою сталлю 1.4301 /AISI 304 цей тип сталі, завдяки вмісту молібдену, забезпечує надійніший захист від корозії та пошкоджень, спричинених хлоридами.
Для виробництва пластин також використовують такі матеріали:
- 1.4301 /AISI 304 (економічне рішення при використанні некритичних середовищ)
- 1.4539 /AISI 904L (високий вміст нікелю забезпечує даній сталі високу опірність корозійному розтріскуванню під напругою, а мідь у складі сталі сприяє кращій стійкості до кислот)
- 1.4547 / 254 SMO (порівняно з 1.4404 / AISI 316 L цей матеріал більш стійкий до кислот і хлоридів)
- Alloy C276 (вирізняється високою стійкістю до кислот і хлоридів, застосовується під час використання концентрованої сірчаної кислоти)
Завдяки широкому вибору матеріалів, теплообмінники FUNKE можуть адаптуватися до будь-яких робочих умов – від стандартних середовищ до агресивних кислот і хлоридів. Це дає змогу підібрати ідеальне рішення для різних галузей і забезпечити довговічність обладнання навіть у найскладніших експлуатаційних умовах.
Матеріал ущільнень FUNKE
Теплообмінники Функе бувають як з клейовими ущільненнями, так і з кліпсовими (безклейові з системою затискачів на пластині) з таких матеріалів:
- NBR (нітрил-каучук): універсальний матеріал для водних і жирних середовищ, наприклад, вода / масло
- EPDM (етилен-пропілен-каучук): широка сфера застосування для численних хімічних сполук, які не містять мінеральних олій та жиру; також для випадків застосування вода / пар
- Viton (фтор-каучук) дуже висока стійкість до хімікалій та органічних розчинників, а також до сірчаної кислоти й рослинних олій за високих температур
- інші матеріали ущільнень за запитом
Різноманітність матеріалів ущільнень дає змогу адаптувати funke теплообмінник для роботи з різними середовищами, від води і пари до агресивних хімікатів.
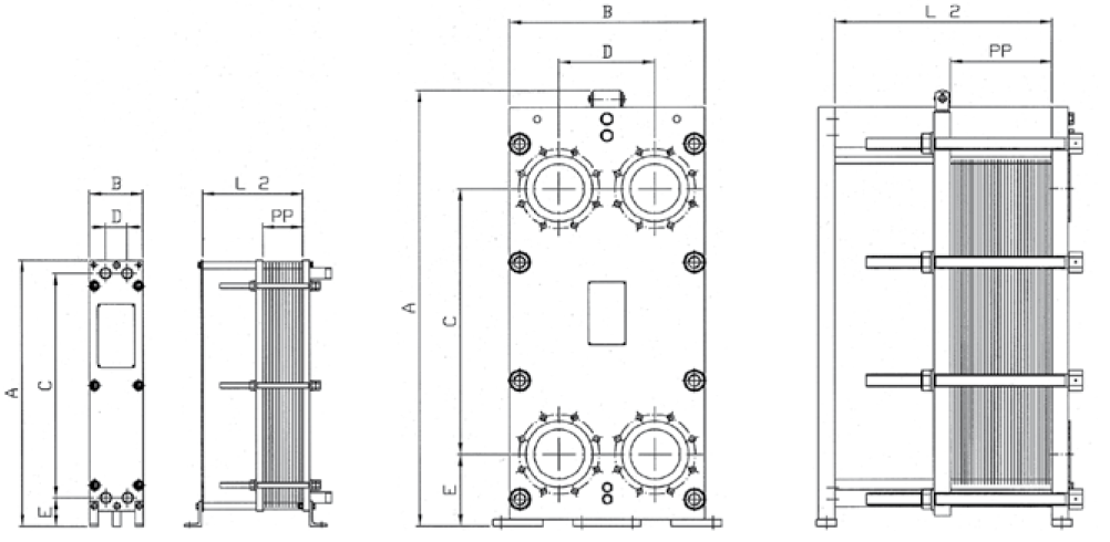
Розміри теплообмінників Функе

Завдяки широкому вибору матеріалів, теплообмінники FUNKE можуть адаптуватися до будь-яких робочих умов – від стандартних середовищ до агресивних кислот і хлоридів. Це дає змогу підібрати ідеальне рішення для різних галузей і забезпечити довговічність обладнання навіть у найскладніших експлуатаційних умовах.

Широкий вибір розмірів теплообмінників Funke дає можливість підібрати оптимальне рішення для будь-якого завдання – від невеликих установок до великих промислових комплексів. Така гнучкість у виборі робить обладнання Funke універсальним.
Типи пластин Funke
Різноманітність типів пластин, що використовуються в теплообмінниках Funke, дає змогу розв’язувати завдання різної складності та забезпечувати високу ефективність роботи обладнання. Кожен тип пластин має свої особливості конструкції і застосування, що дає можливість підбирати оптимальні рішення для конкретних завдань.
- FP – розбірний пластинчастий теплообмінник Funke стандартного виконання
- FPG – теплообмінник напіврозбірного виконання зі звареними касетами (попарно зварені пластини). Зварні касети збираються в пакет пластин зі звичайними ущільненнями.
- FPDW – пластинчастий теплообмінник підвищеної надійності з подвійною стінкою. “Одна” пластина теплообмінника складається з двох пластин, що лежать одна на одній. Простір між цими пластинами утворює канал витоку. У разі пошкодження однієї з пластин, наприклад, через корозію агресивними середовищами, середовище виходить через цей канал витоку назовні.
Типи пластин Funke розробляються з урахуванням специфіки різних галузей і умов експлуатації.
Пластина Функе FP 206

Де використовуються теплообмінники Funke?
Пластинчасті теплообмінники Funke – це не тільки надійне обладнання, а й передові інженерні рішення, які задовольняють найсуворіші вимоги клієнтів. Завдяки високій якості матеріалів, продукція Funke заслужила довіру в широкому спектрі галузей, від промисловості до енергетики. Теплообмінники Funke знаходять застосування в найрізноманітніших галузях:
- Харчова промисловість:Підтримка стабільної температури під час виробництва продуктів і напоїв.
- Енергетика: Забезпечення ефективного охолодження або нагрівання в енергетичних установках.
- Хімічна промисловість: Робота з агресивними рідинами та газами.
- HVAC-системи: Опалення, вентиляція та кондиціювання повітря в будівлях і промислових об’єктах.
Теплообмінники Funke забезпечують стабільність, надійність і точність процесів теплообміну.
Вартість теплообмінника Funke
Вартість теплообмінників Funke залежить від кількох чинників, включно з типом обладнання, використовуваними матеріалами, розмірами і технічними характеристиками. Основні аспекти, що впливають на ціну:
- Матеріали: Пластини й ущільнення можуть бути виготовлені з різних матеріалів, таких як нержавіюча сталь, титан або сплави, що визначає стійкість до корозії та агресивних середовищ.
- Тип теплообмінника: Розбірні, паяні мають різний рівень складності виготовлення.
- Індивідуальний підхід: Теплообмінники часто проектуються під конкретні завдання, що також впливає на вартість.
Компанія Тепло – Поліс пропонує конкурентні ціни, зберігаючи високу якість продукції. Для отримання точного розрахунку вартості обладнання рекомендується надати дані про робочий тиск, температуру середовища, умови експлуатації та необхідну потужність теплообміну.
Зверніться до фахівців для консультації та підбору оптимального рішення.
Як купити теплообмінник Funke FP
Купити теплообмінник пластинчастий Funke FP просто і зручно:
- Залиште заявку на сайті.
- Зв’яжіться з нами: Зателефонуйте або надішліть заповнений опитувальний лист нашим фахівцям. Ми оперативно проведемо розрахунок і запропонуємо найбільш підходящу модель.
- Отримайте консультацію: Наші експерти допоможуть вам вибрати обладнання, що ідеально відповідає вашим завданням.
- Оформіть замовлення: Ми надамо детальну інформацію про вартість, строки виготовлення і доставки.
Ми гарантуємо якісне обладнання, своєчасну доставку та професійне обслуговування. Ми допомагаємо в підборі необхідного теплообмінника і робимо швидкий розрахунок (за 1 год). Наявність комплектуючих на складі дозволяє виготовити теплообмінник Функе за кілька днів. Телефонуйте або залиште заявку просто зараз!



Last Updated on by Микола Фролкин
